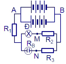
Bộ nguồn gồm 8 nguồn có E = 1,5 V, r = 0,5 ôm. Tính khối lượng Cu giải phóng ra ở cực âm trong thời gian 32 phút 10 giây và UMN.
Dạng bài: Vật lý 11. Bộ nguồn gồm 8 nguồn có E = 1,5V, r = 0,5Ω. Đèn Đ loại 3V – 3W, R1 = 2Ω, R2 = 3 Ω, R3 = 2 Ω, Rp = 1 Ω và là bình điện phân đựng dung dịch CuSO4. Biết Cu có A = 64 và n = 2. Khối lượng Cu giải phóng ra ở cực âm trong thời gian 32 phút 10 giây và
Cho mạch điện như hình vẽ. Trong đó bộ nguồn gồm 8 nguồn giống nhau mỗi cái có suất điện động 1,5V, có điện trở trong 0,5Ω mắc thành 2 nhánh, mỗi nhánh có 4 nguồn mắc nối tiếp. Đèn Đ loại 3V – 3W, = 2Ω, = 3 Ω, = 2 Ω, Rp = 1 Ω và là bình điện phân đựng dung dịch CuS có cực dương bằng Cu. Biết Cu có khối lượng mol 64 và có hóa trị 2. Coi điện trở của đèn không thay đổi. Khối lượng Cu giải phóng ra ở cực âm trong thời gian 32 phút 10 giây và hiệu điện thế lần lượt là

Công thức liên quan
Định luật Ohm đối với toàn mạch.
hoặc
Tổng hợp công thức liên quan đến định luật Ohm đối với toàn mạch. Vật Lý 11. Hướng dẫn chi tiết và bài tập vận dụng.
Phát biểu: Suất điện động của nguồn điện có giá trị bằng tổng các độ giảm điện thế ở mạch ngoài và mạch trong.
Chú thích:
: suất điện động của nguồn điện
: cường độ dòng điện
: điện trở tương đương của mạch ngoài
: điện trở trong của nguồn điện
Ghép các nguồn điện thành bộ nguồn hỗn hợp đối xứng.
Công thức liên quan đến ghép các bộ nguồn thành bộ nguồn hỗn hợp đối xứng. Vật Lý 11. Bài tập vận dụng và hướng dẫn chi tiết.
Phát biểu: Bộ nguồn hỗn hợp đối xứng là bộ nguồn gồm dãy ghép song song với nhau, mỗi dãy gồm nguồn điện giống nhau ghép nối tiếp.
Chú thích:
: suất điện động của bộ nguồn
: điện trở trong của bộ nguồn
: suất điện động của mỗi nguồn điện thành phần
: điện trở trong của mỗi nguồn điện thành phần
Với là số dãy ghép song song và là số nguồn điện giống nhau ghép nối tiếp trên mỗi dãy.

Ưu điểm và khuyết điểm của ghép các bộ nguồn thành hỗn hợp đối xứng:
Ghép hỗn hợp đối xứng lợi về nội trở lẫn suất điện động nhưng thiệt về chi phí.

Cách ghép hỗn hợp đối xứng trong thực tế.

Cách ghép hỗn hợp đối xứng trong thực tế. Ảnh chụp tại hải đăng Nam Du.
Mạch điện mắc nối tiếp các điện trở.
Công thức liên quan đến mạch điện mắc nối tiếp các điện trở. Vật Lý 11. Hướng dẫn chi tiết và bài tập vận dụng.
Chú thích:
: điện trở
: cường độ dòng điện
: hiệu điện thế

Mạch điện mắc song song các điện trở.
Công thức liên quan đến mạch điện mắc song song các điện trở. Vật Lý 11. Hướng dẫn chi tiết và bài tập vận dụng.
Chú thích:
: điện trở
: cường độ dòng điện
: hiệu điện thế

Công thức Faraday.
Công thức Faraday là gì? Hai định luật Faraday. Vật Lý 11. Hướng dẫn chi tiết và bài tập vận dụng.
Hiện tượng điện phân
a/Định nghĩa hiện tượng điện phân:
Hiện tượng điện phân là hiện tượng xuất hiện các phản ứng phụ ở các điện cực khi cho dòng điện một chiều qua bình điện phân.
b/Công thức Faraday về chất điện phân
Chú thích:
: khối lượng của chất được giải phóng ra ở điện cực khi điện phân
: số Faraday
: khối lượng mol nguyên tử của nguyên tố
: hóa trị của nguyên tố
: cường độ dòng điện trong dung dịch điện phân
: thời gian điện phân
c/Ứng dụng:
Hiện tượng điện phân có nhiều ứng dụng trong thực tế sản xuất và đời sống như luyện kim, tinh luyện đồng, điều chế clo, xút, mạ điện, đúc điện,...
1. Luyện nhôm
Bể điện phân có cực dương là quặng nhôm nóng chảy, cực âm bằng than, chất điện phân là muối nhôm nóng chảy, dòng điện vào khoảng 10000A.

2. Mạ điện
Bể điện phân có cực dương là một tấm kim loại để mạ, cực âm là vật cần mạ, chất điện phân thường là dung dịch muối kim loại để mạ. Dòng điện được chọn một cách thích hợp để đảm bảo chất lượng của lớp mạ.

Michael Faraday (1791 - 1867)

Công thức hiệu điện thế giữa hai điểm trong mạch điện.
Vật lý 11. Công thức hiệu điện thế giữa hai điểm trong mạch điện. Mạch mắc nối tiếp. Mạch có vôn kế, ampe kế. Hướng dẫn chi tiết.

Dùng vôn kế để đo hiệu điện thế giữa hai điểm M và N. Vì vôn kế có điện trở vô cùng lớn thì có thể xem vôn kế không ảnh hưởng đến mạch.
Khi đó:
Lưu ý:
- Những điểm nối bằng dây dẫn không có điện trở thì có thể chập lại với nhau.
- Mạch nối tắt: khi linh kiện bị nối tắt => bỏ qua linh kiện và xem như dây dẫn.
- Mạch có thêm dụng cụ đo:

Hằng số liên quan
Hằng số Faraday
Vật lý 11.Hằng số Faraday. Hướng dẫn chi tiết.
Ý nghĩa: Hằng số Faraday là điện lượng đi qua dung dịch điện phân làm sinh ra một mol chất đơn hóa trị ở điện cực.
Được tính bằng tích của hằng số Avogadro và điện tích electron.
Giá trị được đo lần đầu tiên bằng cách đo lượng bạc lằng đọng khi điện phân , trong đó dòng điện và thời gian được đo và vận dụng định luật Faraday để tính.

Biến số liên quan
Cường độ dòng điện
Vật Lý 11.Cường độ dòng điện. Hướng dẫn chi tiết.
Khái niệm:
Cường độ dòng điện là đại lượng đặc trưng cho tác dụng mạnh, yếu của dòng điện.
Đơn vị tính: Ampe

Suất điện động
Suất điện động là gì? Vật Lý 11. Hướng dẫn chi tiết.
Khái niệm:
Suất điện động của nguồn điện là đại lượng đặc trưng cho khả năng thực hiện công của nguồn điện.
Đơn vị tính: Volt
Điện trở
Vật lý 11.Điện trở. Hướng dẫn chi tiết.
Khái niệm:
Điện trở là đại lượng đặc trưng cho khả năng cản trở dòng điện trong vật dẫn điện. Nếu một vật dẫn điện tốt thì điện trở nhỏ, vật dẫn điện kém thì điện trở lớn, vật cách điện thì điện trở là vô cùng lớn.
Đơn vị tính: Ohm

Điện trở trong của nguồn điện - nội trở
Điện trở trong của nguồn điện là gì? Vật Lý 11. Hướng dẫn chi tiết.
Khái niệm:
Trong mạch điện kín, dòng điện chạy qua mạch ngoài và cả mạch trong. Như vậy, nguồn điện cũng là một vật dẫn và cũng có điện trở. Điện trở này được gọi là điện trở trong của nguồn điện.
Đơn vị tính: Ohm

Điện trở tương đương của mạch ngoài
Vật lý 11.Điện trở tương đương mạch ngoài. Hướng dẫn chi tiết.
Khái niệm:
Điện trở tương đương là điện trở của toàn mạch. Có thể thay điện trở này bằng các điện trở thành phần để cường độ dòng điện không đổi với cùng định mức điện áp.
Đơn vị tính: Ohm

Các câu hỏi liên quan
Thanh AB đồng chất, tiết diện đều dài 80 cm, có khối lượng không đáng kể, có trục quay tại O. Hỏi phải tác dụng vào đầu A một lực bằng bao nhiêu để thanh AB cân bằng ngang?
- Tự luận
- Độ khó: 0
Thanh AB đồng chất, tiết diện đều dài 80 cm, có khối lượng không đáng kể, có trục quay tại O. Cho OA = 30 cm, F = 2 N, α = Hỏi phải tác dụng vào đầu A một lực bằng bao nhiêu để thanh AB cân bằng ngang?

Thanh AB đồng chất, tiết điện đều dài 22 cm, có khối lượng m = 200 g có thể quay quanh O. Tìm độ lớn của F2 để thanh AB cân bằng ngang.
- Tự luận
- Độ khó: 0
Thanh AB đồng chất, tiết diện đều dài 22 cm, có khối lượng m = 200 g có thể quay quanh O. Cho OA = 8 cm, g = 10 m/, = 3 N, α = . Tìm độ lớn của để thanh AB cân bằng ngang.

Thanh OB có thể quay quanh O. Cho OA = 20 cm, AB = 60 cm, F1 = 10 N, g = 10 m/s2. Tìm độ lớn của F2 để thanh AB cân bằng ngang trong.
- Tự luận
- Độ khó: 0
Thanh OB có thể quay quanh O. Cho OA = 20 cm, AB = 60 cm, α = , = 10 N, g = 10 m/. Tìm độ lớn của để thanh AB cân bằng ngang trong trường hợp:

a) Thanh có khối lượng không đáng kể.
b) Thanh đồng chất, tiết diện đều có khối lượng 200 (g).
Một người nâng một tấm gỗ đồng chất, tiết diện đều, có trọng lượng P = 200 N. Tính độ lớn của lực trong hai trường hợp: Lực vuông góc với tấm gỗ. Lực F hướng thẳng đứng lên trên.
- Tự luận
- Độ khó: 0
Một người nâng một tấm gỗ đồng chất, tiết diện đều, có trọng lượng P = 200 N. Người ấy tác dụng một lực F vào đầu trên của tấm gỗ để giữ cho nó hợp với mặt đất một góc α = . Tính độ lớn của lực trong hai trường hợp:
a) Lực F vuông góc với tấm gỗ.
b) Lực F hướng thẳng đứng lên trên.
Một thanh dài l = 1 m, khối lượng m = 1,5 kg. Một đầu thanh được gắn vào trần nhà nhờ bản lề, đầu kia được giữ bằng dây treo thẳng đứng. Tính lực căng của dây.
- Tự luận
- Độ khó: 0
Một thanh dài l = 1 m, khối lượng m = 1,5 kg. Một đầu thanh được gắn vào trần nhà nhờ bản lề, đầu kia được giữ bằng dây treo thẳng đứng. Trọng tâm của thanh cách bản lề một đoạn d = 0,4 m. Lấy g = 10 m/. Tính lực căng của dây.
