Công thức:
Nội dung:
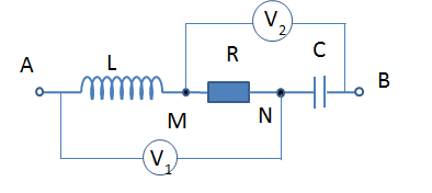
Khái niệm:
là hiệu điện thế tức thời của hai phần tử điện trở và cuộn cảm, là hiệu điện thế tức thời của hai phần tử điện trở và tụ điện, là hiệu điện thế tức thời của hai phần tử tụ điện và cuộn cảm, là hiệu điện thế tức thời của cuộn dây không thuần cảm.
Đơn vị tính: Volt
