Độ biến dạng của lò xo - Vật lý 10
Vật lý 10. Độ biến dạng của lò xo. Hướng dẫn chi tiết.
Công thức:
Nội dung:
Khái niệm:
Độ biến dạng của lò xo là hiệu giữa chiều dài khi biến dạng và chiều dài tự nhiên của lò xo.
Đơn vị tính: mét ()

Công thức liên quan
Công thức xác định độ biến dạng của lò xo.
Vật lý 10. Công thức xác định độ biến dạng của lò xo. Hướng dẫn chi tiết.
Giải thích:
- Độ biến dạng của lò xo là hiệu số giữa chiều dài ở trạng thái đang xét và chiều dài tự nhiên ban đầu của lò xo .
- Nếu => lò xo đang bị dãn và sẽ tác dụng lực kéo.
- Nếu => lò xo đang bị nén và sẽ tác dụng lực đẩy.

Hình 1: Lò xo đang bị nén dưới tác dụng của trọng lực do quả nặng M gây ra

Hình 2: Lò xo đang bị dãn dưới tác dụng của trọng lực do quả nặng m gây ra
Chú thích:
: độ biến dạng của lò xo .
: chiều dài tự nhiên - chiều dài ban đầu của lò xo .
: chiều dài lúc sau của lò xo .
Công thức xác định độ lớn lực đàn hồi.
Vật lý 10. Lực đàn hồi và định luật Hooke. Hướng dẫn chi tiết.
Định luật Hooke:
1.Phát biểu
- Trong giới hạn đàn hồi, độ lớn lực đàn hồi của lò xo tỉ lệ thuận với độ biến dạng của lò xo.
2.Đặc điểm

- Phương của lực: lực đàn hồi có phương dọc trục lò xo.
- Chiều của lực:
+ Lực đàn hồi ở đầu không cố định ngược chiều với chiều biến dạng của lò xo (hướng về vị trí không biến dạng).
+ Lực đàn hồi tác dụng lên hai đầu có cùng độ lớn nhưng ngược hướng nhau .
- Độ lớn: tuân theo định luật Hooke.
- Dấu trừ trong công thức thể hiện lực đàn hồi luôn chống lại tác nhân gây ra biến dạng của nó.
- Nếu chỉ tính độ lớn ta có Fđh=k.∆l
Chú thích:
: lực đàn hồi (N).
k: độ cứng lò xo (N/m).
∆l: độ biến dạng của lò xo (m)
Định luật Hooke khi lò xo nằm ngang.
Vật lý 10. Định luật Hooke khi lò xo nằm ngang. Hướng dẫn chi tiết.
Trường hợp lò xo nằm ngang:
Tại vị trí cân bằng: F=Fdh⇔F=k.∆l.
Độ biến dạng lò xo tại vị trí cân bằng:
Chiều dài của lò xo ở vị trí cân bằng:

Chú thích:
F: lực tác dụng (N).
Fđh: lực đàn hồi (N).
k: độ cứng lò xo (N/m).
∆l: độ biến dạng của lò xo (m)
l: chiều dài của lò xo ở vị trí đang xét (m).
lo: chiều dài tự nhiên của lò xo - khi chưa có lực tác dụng (m).
Lưu ý : Nếu ban đầu chưa tác dụng lực hoặc lò xo ở chiều dài tự nhiên thì dô biến dạng ban đầu bằng không.
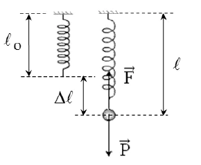
Định luật Hooke khi lò xo treo thẳng đứng.
Vật lý 10. Định luật Hooke khi lò xo treo thằng đứng. Hướng dẫn chi tiết.
Trường hợp lò xo treo thằng đứng:
Tại vị trí cân bằng:
Độ biến dạng lò xo tại vị trí cân bằng:
Chiều dài của lò xo ở vị trí cân bằng:

Chú thích:
P: trọng lực tác dụng (N).
Fđh: lực đàn hồi (N).
k: độ cứng lò xo (N/m).
: độ biến dạng ban đầu của lò xo (m)
l: chiều dài của lò xo ở vị trí đang xét (m).
: chiều dài tự nhiên của lò xo - khi chưa có lực tác dụng (m).
Định luật Hooke khi lò xo treo trên mặt phẳng nghiêng.
Vật lý 10. Định luật Hooke khi lò xo treo trên mặt phẳng nghiêng. Hướng dẫn chi tiết.
Trường hợp lò xo treo trên mặt phẳng nghiêng:
Tại vị trí cân bằng: P.sin(α)=Fdh⇔m.g.sin(α)=k.∆l.
Độ biến dạng lò xo tại vị trí cân bằng: ∆l=P.sin(α)k=m.g.sin(α)k
Chiều dài của lò xo ở vị trí cân bằng: l=lo+∆l

Chú thích:
P: trọng lực tác dụng (N).
Fđh: lực đàn hồi (N).
k: độ cứng lò xo (N/m).
∆l: độ biến dạng của lò xo (m)
l: chiều dài cảu lò xo ở vị trí đang xét (m).
lo: chiều dài tự nhiên của lò xo - khi chưa có lực tác dụng (m).
α: góc tạo bởi mặt phẳng nghiêng so với phương ngang (deg) hoặc (rad).
Thế năng đàn hồi của lò xo.
Vật lý 10. Công thức xác định thế năng đàn hồi của lò xo. Hướng dẫn chi tiết.
Chú thích:
: độ cứng của lò xo .
: độ biến đạng của lò xo .
: thế năng đàn hồi .
Định luật bảo toàn cơ năng - Trường hợp vật chịu tác động của lực đàn hồi.
Vật lý 10. Định luật bảo toàn cơ năng - Trường hợp vật chịu tác động của lực đàn hồi. Hướng dẫn chi tiết.
Khi một vật chỉ chịu tác dụng của lực đàn hồi gây bởi sự biến dạng của một lò xo đàn hồi thì trong quá trình chuyển động của vật, cơ năng được tính bằng tổng động năng và thế năng đàn hồi của vật là đại lượng bảo toàn.
Chú thích:
: cơ năng .
: động năng - động năng cực đại .
: thế năng - thế năng đàn hồi cực đại .
Định luật bảo toàn cơ năng chỉ nghiệm đúng khi vật chuyển động chỉ chịu tác dụng của lực đàn hồi, trọng lực, ngoài ra nếu chịu thêm tác dụng của lực cản, lực ma sát... thì cơ năng của vật sẽ bị biến đổi. Công của lực cản, lực ma sát.. sẽ bằng độ biến thiên cơ năng.
Tốc độ góc quay đều của thanh - vật lý 12
Khi quay ngang:
Khi quay hợp góc :
Vật lý 12.Công thức tính tốc độ góc quay đều của thanh. Hướng dẫn chi tiết.

Khi thanh quay đều:
Khi quay trên phương ngang:
Khi quay hợp với phương thẳng 1 góc :
Lực đàn hồi trong hệ lò xo
Mắc song song :
Mắc nối tiếp :
Vật lý 10.Lực đàn hồi trong hệ lò xo. Hướng dẫn chi tiết.

Ta giả thiết bỏ qua khối lượng lò xo
Đối với hệ lò xo mắc song song
Định luật II Newton cho vật :
Mặc khác : độ biến dạng của từng lò xo : ,
Đối với hệ lò xo mắc nối tiếp:
Định luật II Newton cho vật:
Tại điểm nối lò xo :
Mặc khác : độ biến dạng của từng lò xo : ,
Bài toán tìm độ dãn lò xo bị nhốt
Nằm ngang :
Thẳng đứng :
Vật lý 10.Bài toán tìm độ dãn lò xo bị nhốt. Hướng dẫn chi tiết.

Trường hợp lò xo nằm ngang :
Trường hợp lò xo thẳng đứng:
Độ biến dạng có độ lớn giống nhau nhưng một cái bị dãn và một cái bị nén.
Bạn có thể thích
Chu kì của con lắc sau khi vướng đinh - Vật lý 12
Vật lý 12.Chu kì con lắc sau khi vướng đinh. Hướng dẫn chi tiết.
Biên độ góc của con lắc sau khi vướng đinh - Vật lý 12
Vật lý.Biên độ góc của con lắc sau khi vướng đinh. Hướng dẫn chi tiết.