Công thức:
Nội dung:
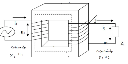
Máy biến áp dùng để biến đổi hiệu điện thế hiệu dụng của dòng điện xoay chiều dựa trên hiện tượng cảm ứng điện từ.
Gồm có : hai cuộn dây có số vòng khác nhau , quan trên lõi biến áp .Với lõi biến áp làm bằng khung sắt non gồm nhiều lá sắt mỏng cách điện nhằm giảm dòng điện Fu cô
; k là hệ số máy biến áp
; máy hạ áp
: máy đẳng áp
k<1: Máy tăng áp
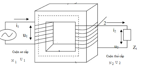
Máy biến áp dùng để biến đổi hiệu điện thế hiệu dụng của dòng điện xoay chiều dựa trên hiện tượng cảm ứng điện từ.
Gồm có : hai cuộn dây có số vòng khác nhau , quan trên lõi biến áp .Với lõi biến áp làm bằng khung sắt non gồm nhiều lá sắt mỏng cách điện nhằm giảm dòng điện Fu cô
; k là hệ số máy biến áp
; máy hạ áp
: máy đẳng áp
k<1: Máy tăng áp



