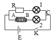
Chọn đáp án đúng khi xác định chiều đòng điện tự cảm do ống dây gây ra và dòng điện qua đèn 2 trong thời gian K đóng.
Dạng bài: Vật lý 11. Trong hình vẽ bên đáp án nào sau đây là đúng khi xác định chiều dòng điện tự cảm do ống dây gây ra và dòng điện qua đèn 2 trong thời gian K đóng. Hướng dẫn chi tiết.
Trong hình vẽ bên đáp án nào sau đây là đúng khi xác định chiều dòng điện tự cảm do ống dây gây ra và dòng điện qua đèn 2 trong thời gian K đóng.

Công thức liên quan
Độ tự cảm trong lòng ống dây.
Công thức tính độ tự cảm trong lòng ống dây. Vật Lý 11. Hướng dẫn chi tiết và bài tập vận dụng.
I. Hiện tượng tự cảm
1/Định nghĩa
Hiện tượng tự cảm là hiện tượng cảm ứng điện từ xảy ra trong một mạch có dòng điện mà sự biến thiên từ thông qua mạch được gây ra bởi sự biến thiên của cường độ dòng điện trong mạch.
2/Một số ví dụ về hiện tượng tự cảm
- Đối với mạch điện một chiều: hiện tượng tự cảm xảy ra khi đóng và ngắt mạch điện.
- Đối với mạch điện xoay chiều: hiện tượng tự cảm luôn xảy ra.
- Hiện tượng tự cảm cũng tuân theo các định luật của hiện tượng cảm ứng điện từ.
II. Độ tự cảm của ống dây
1/Ống dây
a/Cấu tạo : Dây điện có chiều dài , tiết diện được quấn thành vòng có độ tự cảm L đáng kể. ( khá với với dường kính )
b/Ví dụ:
cuộn cảm thực tế.
c/Kí hiệu : trong mạch điện cuộn cảm kí hiệu :
Không có lõi sắt :
Có lõi sắt :
2/Độ tự cảm
a/Bài toán
Một ống dây điện chiều dài , tiết diện , gồm tất cả vòng dây, trong đó có dòng điện cường độ chạy qua gây ra từ trường đều trong lòng ống dây đó. Cảm ứng từ trong lòng ống dây
Dễ dàng tính được từ thông riêng của ống dây đó và suy ra độ tự cảm .chỉ phụ thuộc vào cấu tạo cuộn dây.
b/Định nghĩa độ tự cảm : Độ tự cảm của cuộn dây là đại lượng đặc trưng cho khả năng tự cảm của ống dây phụ thuộc vào bản chất vật liệu và cấu tạo ống dây.
c/Công thức:
số vòng trên mỗi mét chiều dài.
Chú thích:
: độ tự cảm
: số vòng dây
: chiều dài ống dây
: cường độ dòng điện qua lòng ống dây
d/Ống dây có lõi sắt
Với là hệ số từ thẩm đặc trưng cho từ tính của lõi sắt.
Biến số liên quan
Độ dài của dây dẫn
Độ dài. Vật Lý THPT. Hướng dẫn chi tiết.
Khái niệm:
l là chiều dài của đoạn dây dẫn có dòng điện chạy qua.
Đơn vị tính: mét

Tiết diện ngang
Tiết diện ngang. Vật Lý THPT. Hướng dẫn chi tiết.
Khái niệm:
Tiết diện ngang là hình phẳng mặt cắt ngang của hình khối, thường là vuông góc với trục của nó.
Đơn vị tính:

Độ tự cảm - Vật lý 11
Vật Lý 11.Độ tự cảm là gì? Hướng dẫn chi tiết.
Khái niệm:
Độ tự cảm đặc trưng cho khả năng chống lại sự thay đổi của dòng điện chạy qua mạch kín, chỉ phụ thuộc vào cấu tạo và kích thước của mạch kín.
Đơn vị tính: Henry (H)

Số vòng dây
Số vòng dây. Vật Lý 11.
Khái niệm:
Số vòng dây là số vòng dây trong một cuộn dây, hoặc thể hiện số khung dây trong dây dẫn.
Đơn vị tính: Vòng

Các câu hỏi liên quan
Thời gian từ lúc bắt đầu dao động đến lúc đi qua vị trí x = 2cm theo chiều dương của trục toạ độ lần thứ 1 là?
- Trắc nghiệm
- Độ khó: 3
Một chất điểm dao động điều hoà với phương trình x = 4cos(2πt + π/2)cm. Thời gian từ lúc bắt đầu dao động đến lúc đi qua vị trí x = 2cm theo chiều dương của trục toạ độ lần thứ 1 là
Xác định những thời điểm vật có vận tốc bằng không.
- Trắc nghiệm
- Độ khó: 3
Một vật dao động điều hoà quanh vị trí cân bằng theo phương trình x = 4cos() (cm) ; t tính bằng giây . Biết rằng cứ sau những khoảng thời gian /40 (s) thì động năng lại bằng nửa cơ năng . Tại những thời điểm nào thì vật có vận tốc bằng không ?
Tính từ lúc t = 0, vật có toạ độ x = -2 cm lần thứ 2005 vào thời điểm nào?
- Trắc nghiệm
- Độ khó: 2
Con lắc lò xo dao động điều hoà trên mặt phẳng ngang với chu kì T = 1,5 s và biên độ A = 4cm, pha ban đầu là . Tính từ lúc t = 0, vật có toạ độ x = -2 cm lần thứ 2005 vào thời điểm nào?
Từ thời điểm t = 0 đến khi vật qua li độ x = - 2 cm lần 2011 tại thời điểm nào?
- Trắc nghiệm
- Độ khó: 3
Một vật dao động điều hòa với phương trình dao động là
trong đó x tính bằng cm và t tính bằng giây. Từ thời điểm đến khi vật qua li độ x = -2cm lần 2011 tại thời điểm nào?
Trong một chu kì, thời gian gia tốc không vượt quá 100 (cm/s^2) là T/3 xác định tần số dao động.
- Trắc nghiệm
- Độ khó: 3
Một vật đang dao động điều hòa với chu kỳ T biên độ 5cm. Trong một chu kì thời gian để vật nhỏ của lò xo có độ lớn gia tốc không vượt quá 100 là . Lấy = 10. Tần số dao động của vật là bao nhiêu?