Đề:
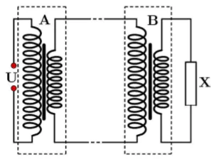
Điện năng được truyền tải từ máy hạ áp đến máy hạ áp bằng đường dây tải điện một pha như sơ đồ hình bên. Cuộn sơ cấp của được nối với điện áp điện áp xoay chiều có giá trị hiệu dụng không đổi, cuộn thứ cấp của B được nối với tải tiêu thụ . Gọi tỉ số giữa số vòng dây của cuộn sơ cấp và số vòng dây của cuộn thứ cấp của là , tỉ số giữa số vòng dây của cuộn sơ cấp và số vòng dây của cuộn thứ cấp của là . Ở tải tiêu thụ, điện áp hiệu dụng như nhau, công suất tiêu thụ điện như nhau trong hai trường hợp: và hoặc và . Coi các máy hạ áp là lí tưởng, hệ số công suất của các mạch điện luôn bằng 1. Khi và thì tỉ số giữa công suất hao phí trên đường dây truyền tải và công suất ở tải tiêu thụ là
